
製品特徴
・大型飛行機用(エルロン推奨)
・メタル1-3段ギヤ
・高強度メタル終段ギヤ
・上/中/下アルミケース
・S.BUS方式
・新型HPSモーター採用
・高周波数制御
・スピード:0.075sec/60°(7.4V) / 0.08sec/60°(6.6V)
・トルク:49kgf・cm(7.4V) / 45kgf・cm(6.6V)
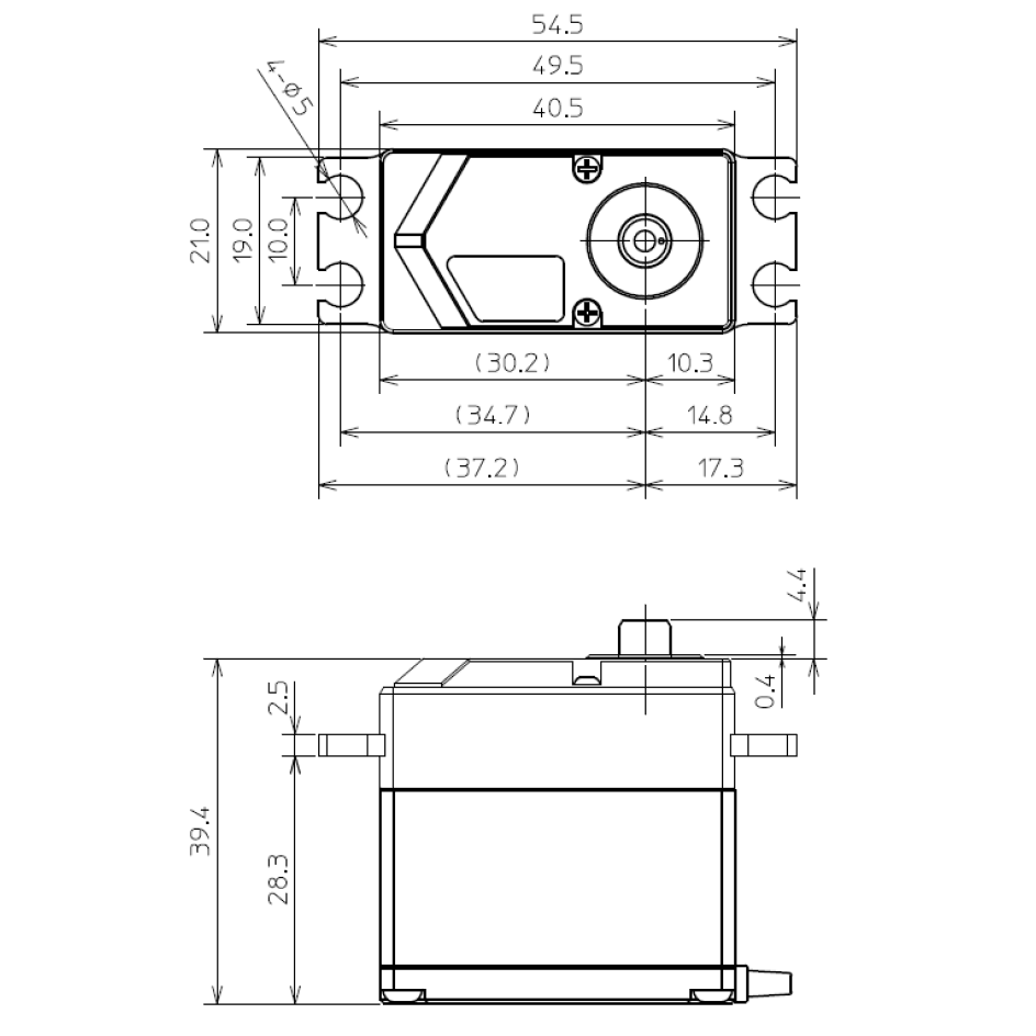
・寸法/重量:40.5×21.0×39.4mm / 80g
※HPS-AA701は高出力と応答性を両立させるため、瞬間的に大電流を必要とします。激しいアクロフライトの場合、まれに電源ラインが不安定になる可能性がありますので、S.BUSシステムでサーボを1個以上接続する場合は安全のため受信機用キャパシター(16V1800μF)をご使用下さい。接続に関しては、取扱説明書をご覧下さい。
※乾電池、BECは使用不可。
【交換用パーツリスト】
ケースセット : 308895
使用ホーン : Φ6
ホーン取付ビス: 306235
ゴムブッシュ : 302787
サーボ固定ビス: 300752
ハトメ : 302770
オプション